Catalogo


Il prodotto è fuori produzione e non più fornibile

Avvisami quando un articolo è di nuovo disponibile.

Codifiche Successive ↓
Codifiche Precedenti ↓

Per assistenza scrivici a info@azagri.com o chiamaci al 388 65 21 773

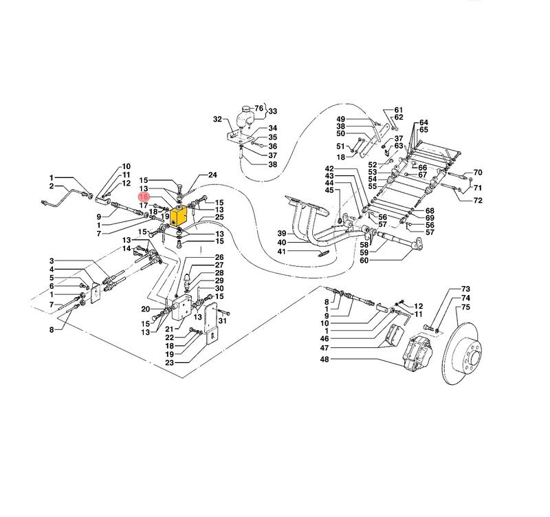
VALVOLA COMPENSATRICE – ANTONIO CARRARO – 46613016

(€ 0,00 + IVA)

Non Disponibile

Avvisami quando un articolo è di nuovo disponibile.

COD: CR46613016

Sei in possesso del codice prodotto?


Leggi cosa dicono di noi su Trustpilot

Descrizione



Questo articolo è un prodotto originale per i seguenti mezzi:

  • Antonio CarraroTIGRETRAC 8008 D – Serie 22 Matricola inizia con 226236043 – TrattoreMotore: VM D704L
  • Questo articolo è un prodotto compatibile per i seguenti mezzi: